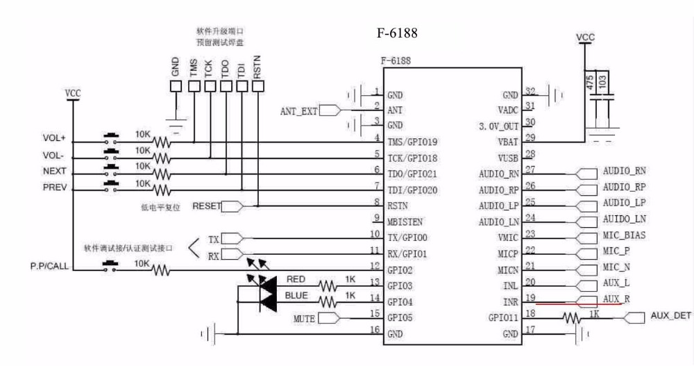
Bluetooth Audio Module F-6188 BK8000L
Code: LA230019Free Shipping
From 100 EUR
30 Days to Return
For Registered

30 Days to Return
For Registered Customers

Free Shipping
For orders from 100 EUR

Customer Care
We handle complaints within 5 days

Quick dispatch
Within 24 hours
Product detailed description
The module uses the BEKEN BK8000L chip and is mainly used for short distance music transmission.


Specifications:
- Model: F-6188 V1.4
- Bluetooth chip: BK8000L
- Bluetooth version V2.1+EDR
- Range: about 10
- Bluetooth protocols: HFPV1.5, A2DPV1.2, AVRCPV1.4, HSP1.2, GAVDP1.2, IOP
- Working voltage 2.8-4.2V
- Working current: <=60mA
- Standby current: <500uA
- Transmitting power: class 2.4dbm
- Sensitivity: 0.1% BER> - 80 dBm
- Frequency range: 2.402GHz ~ 2.480GHz
- Interfaces:I2C, SPI and UART
- SNR: > = 75dB
- SBC decoding
- Dimensions: 25x13.5mm
Included in delivery:
- 1pc Bluetooth Audio Module F-6188 BK8000L
Remark:
This product is not a standalone functional unit and may require professional installation.
Additional parameters
| Category: | Pre-Made Electronic Modules & Accessories |
|---|---|
| Warranty: | 2 years |
| Weight: | 0.001 kg |
| The item has been sold out… | |
Product rating
The average product rating is 5,0 out of 5 stars.
1 rating
5
4
3
2
1
Leave a rating
List of ratings
Discussion
List of discussions
M
Špatný datasheet
Milan
POZOR !!!
U tohoto modulu F-6188 BK8000L jsou obrázky s piny správně, ale datasheet je k jinému modulu a piny vůbec nesedí.
MF
Špatný datasheet
Martin Frajdl
Dobrý den, velice děkujeme za upozornění, to nám nějak uniklo. Datasheet byl opravdu pro typ F-6288, který má jiný pinout. Datasheet jsme tedy vyměnili za správný.
