BluePill ARM STM32 STM32F103C8 Vývojová deska
Kód: LA100052



Související produkty
Detailní popis produktu
Jedná se o klon mikrokontroleru STM32F103 - CS32F103 signatura CPUTAPID 0x2ba01477. Z tohoto důvodu nebude možné používat originální GDB debugger. Čip může být označen buď CS32F103, nebo STM32F103.
Řada mikrokontrolerů STM32F103xx obsahuje vysoce výkonné 32-bitové jádro RISC ARM®Cortex®-M3 pracující s frekvencí až 72 MHz, vysokorychlostní vestavěné paměti (paměť Flash až 128 kB a SRAM až 20 kB), bohatý počet vylepšených I/O portů a periferií připojených ke dvěma sběrnicím APB. Mikrokontrolery nabízejí dva 12bitové ADC převodníky, tři univerzální 16bitové časovače plus jeden PWM časovač, jakož i standardní a pokročilá komunikační rozhraní: až dvě I2C a SPI, tři USART, USB a CAN.
Díky těmto vlastnostem je řada mikrokontrolerů STM32F103xx vhodná pro širokou škálu aplikací, jako jsou motorové pohony, řízení aplikací, lékařské a ruční přístroje, PC a herní periferie, platformy GPS, průmyslové aplikace, PLC, invertory, tiskárny, skenery, poplašné systémy, videotelefony a další.
Tato vývojová deska je svým výběrem konkrétních součástek a kompaktními rozměry velice vhodná pro začátečníky, kteří hledají výkonnější alternativu k vývojové desce Arduino Nano. Pro tuto desku je dostupných několik vývojových prostředí včetně Arduino IDE. Pro naprogramování desky lze použít programátor ST-Link V2 (popř. jeho klon), nebo USART Bootloader.
Specifikace:
- Mikrokontroler STM32F103C8 (klon)
- Frekvence CPU až 72MHz
- FLASH 64KB
- SRAM 20KB
- 2 x 12bit ADC (0 – 3.6V, 16 kanálů)
- 7 x DMA
- 7 x časovač:
- 3 x 16bit časovač, každý s až 4 vstupy IC/OC/PWM nebo čítačem impulzů a kvadraturním (inkrementálním) vstupem pro enkodér
- 16bitový časovač PWM s řízením motoru s generováním mrtvé doby (dead-time) a nouzovým zastavením
- 2 x Watchdog časovač (Independent a Window)
- 24bit SysTick časovač
- 2 x I2C (SMBus/PMBus)
- 3 x USART (ISO 7816 interface, LIN, IrDA, modem control)
- 2 x SPI (18 Mbit/s)
- 1 x CAN (2.0B Active)
- 1 x USB 2.0 full-speed
- 1 x obvod reálného času - RTC
- CRC calculation unit, 96-bit unikátní ID
- Oscilátory, reset a správa napájení:
- Napájení 2.0 - 3.6 V
- Reset při zapnutí napájení (Power-on Reset), reset při vypnutí napájení (Power-down Reset) a programovatelný detektor napětí (PVD)
- Externí 4 - 16 MHz oscilátor pro CPU
- Interní 8 MHz oscilátor pro CPU
- Interní 40 kHz oscilátor pro RTC
- PLL pro taktování CPU
- Externí 32.768 kHz oscilátor s kalibrací pro RTC
- Režim nízké spotřeby:
- Sleep, Stop a Standby režim
- VBAT vstup pro zálohování napájení pro RTC a záložní registry
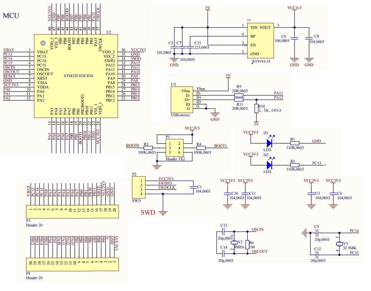
Vývojová deska
- Rozměry desky 53mm x 22mm. Rozteč pinů odpovídá standartnímu 40pin DIP pouzdru – breadboard friendly
- Na desce jsou kromě mikrokontroleru integrovány tyto komponenty:
- Zdroj 3.3V 300mA
- Krystal 8MHz pro CPU
- Krystal 32.768kHz pro RTC
- Propojky volby způsobu programování – BOOT0 a BOOT1
- Resetovací tlačítko
- Mikro USB konektor – napájení a data
- SWD konektor – programování a debugging pomocí programátoru ST-Link V2
- LED indikující 3.3V napájení
- LED propojená na pin PC13
- Desku lze napájet pomocí Mikro USB konektoru, nebo napájecích pinů
Zapojení vývodů:

Součásti dodávky:
- 1ks Klon BluePill ARM STM32 STM32F103C8 Vývojová deska
- 2ks 20pin oboustranná kolíková lišta
Poznámka:
- Piny nejsou zapájené v desce, jsou ale součástí balení.
- Tento výrobek není samostatně funkčním celkem a může vyžadovat odbornou montáž.
- Fotografie výrobků jsou pouze ilustracemi na ukázku a někdy se mohou lišit od skutečného vzhledu předmětu. Avšak toto nemění jejích základní vlastnosti.
Doplňkové parametry
| Kategorie: | ARM vývojové desky |
|---|---|
| Záruka: | 2 roky |
| Hmotnost: | 0.006 kg |
| Typ: | ARM |
| Logické úrovně: | 3.3V |
| I/O piny: | 37 |
| PWM piny: | 15 |
| ADC piny: | 4 |
| Frekvence: | 8MHz |
| Flash Paměť: | 64kB |
| SRAM paměť: | 20kB |
| EEPROM paměť: | Ne |
| Konektor s nabíječkou pro baterii: | Ne |
| Mikrokontroler: | STM32 |
| Převodník: | Ne |
| Bluetooth: | Ne |
| WiFi: | Ne |
